circuit électrique : diviseur de courant
Le circuit diviseur de courant représenté sur la figure se compose de deux résistances connectées en parallèle à travers une source de courant. Le diviseur de courant est conçu pour diviser les is de courant entre R1 et R2. Nous trouvons la relation entre le courant est et le courant dans chaque résistance (c'est-à-dire, i1 et i2) en appliquant directement la loi d'Ohm et la loi actuelle de Kirchhoff. La tension aux bornes des résistances parallèles est:
Les équations 3.27 et 3.28 montrent que le courant se divise entre deux résistances en parallèle de sorte que le courant dans une résistance est égal au courant entrant dans la paire parallèle multiplié par l'autre résistance et divisé par la somme des résistances. L'exemple 3.3 illustre l'utilisation de l'équation de division actuelle.
exemple:
solution:
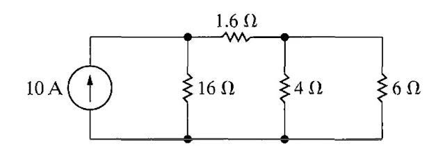
Tout d'abord, il faut trouver le courant dans la résistance en simplifiant le circuit avec des réductions série-parallèle. Ainsi, le circuit montré sur la figure 1 se réduit à celui montré sur la figure 2.
Nous trouvons le courant io en utilisant la formule de division du courant:
Notez que io est le courant dans la résistance de 1,6 𝝮 Fig.1. Nous pouvons maintenant diviser davantage io entre les Résistances de 6 𝝮 et 4 𝝮. Le courant dans la résistance de 6 𝝮 est
et la puissance dissipée dans la résistance de 6 𝝮 est:







Enregistrer un commentaire