ads hdr

Exercice 11


  1. Calculer vo lorsque vg est égal à 4 V
  2. Spécifiez la plage de valeurs de vg afin que l'op L'ampli fonctionne en mode linéaire.
  3. Supposons que vg est égal à 2 V et que la résistance de 63k est remplacée par une résistance variable. Quelle valeur de la résistance variable provoquera la saturation de l'ampli opérationnel?

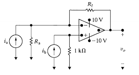
Exercice 12


  1. De quelle configuration de circuit d'amplificateur opérationnel s'agit-il?
  2. Trouvez vo en termes de vs.
  3. Trouvez la plage de valeurs de vs telle que vo ne sature pas et que l'ampli op reste dans sa zone de fonctionnement linéaire

Exercice 13


    L'ampli op dans le circuit est idéal. Les tensions de signal va et vb sont respectivement de 800 mV et 400 mV :
  1. De quelle configuration de circuit d'amplificateur opérationnel s'agit-il?
  2. Calculer vo en volts
  3. Trouvez ia et ib en microampères
  4. Quels sont les facteurs de pondération associés à va et vb?

Exercice 14


    Le circuit est un amplificateur sommateur non inverseur. Supposons que l'amplificateur opérationnel soit idéal. Concevez le circuit de sorte que : vo = va + 2vb + 3vc
  1. Spécifiez les valeurs numériques de Ra et Rc.
  2. Calculez ia, ib et ic (en microampères) lorsque va = 0,7 V, vb = 0,4 V et vc = 1,1 V.

Exercice 15




    Le circuit est un amplificateur sommateur non inverseur. Supposons que l'amplificateur opérationnel soit idéal. Concevez le circuit de sorte que : vo = 6va + 3vb + 4vc
  1. Spécifiez les valeurs numériques de Rb , Ret Rf.
  2. En utilisant les valeurs trouvées dans la partie (1) pour Rf, Rb et Rc,  trouvez (en microampères) ia, ib, ic, ig et is quand va = 0,5 V, vb = 2,5 V et vc = 1 V.

Exercice 16


  1. Quelle valeur de Rf donnera l'équation vo = 5 - 4va,

Exercice 17


  1. Concevez le circuit amplificateur de différence de sorte que vo = 10 (vb - va), et la source de tension vb voit une résistance d'entrée de 220 kΩ. Spécifiez les valeurs de Ra, Rb et Rf

Exercice 18



    L'ampli op dans le circuit additionneur-soustracteur est idéal.
  1. trouver vo lorsque va=1V, vb=2V, vc=3V, et vd=4V .
  2. Si va, vb et vd sont maintenus constants, quelles valeurs de vc ne satureront pas l'ampli opérationnel?

Exercice 19



  1. Sélectionnez les valeurs de Ra et Rf dans le circuit afin que: vo = 5000(ib-ia)

Exercice 20


  1. La résistance Rf dans le circuit est ajustée jusqu'à ce que l'ampli op idéal soit saturé. Spécifiez Rf en kilohms

Exercice 21


  1. Tracez vo en fonction de va lorsque Rf = 4.R1 et vg = 2 V. Utilisez des incréments de 0,1 et notez par hypothèse que 0 ≤ α ≤1
  2. Écrivez une équation pour la ligne droite que vous avez tracée en (1). Comment la pente et l'intersection de la droite sont-elles liées à vg et au rapport Rf / R1 ?
  3. En utilisant les résultats de (2), choisissez les valeurs devg et le rapport Rf / R1 tels que va = - 6α+4.

Post a Comment

Plus récente Plus ancienne