ads hdr

Exercice 01


  1. Quelle contrainte d'ampli op idéal détermine la valeur de in? Quelle est cette valeur?
  2. Quelle contrainte d'ampli op idéal détermine le valeur de {vp - vn) l Quelle est cette valeur?
  3. calculer vo

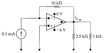
Exercice 02

  1. calculer io

Exercice 03


  1. Calculez vo si va = 4V et vb = 0V.
  2. Calculez vo si va = 2V et vb = 0V.
  3. Calculez vo si va = 2V et vb = 1V.
  4. Calculez vo si va = 1V et vb = 2V.
  5. Calculez vo si va = 1.5V et vb = 4V.
  6. Si vb = 1,6 V, spécifiez la plage de va telle que l'amplificateur ne sature pas.

Exercice 04



  1. calculer iL(en microampères)

Exercice 05

  1. L'ampli op dans le circuit est idéal. Calculez ce qui suit:
    1. v1
    2. vo
    3. i2
    4. io

Exercice 06



  1. trouver la plage de valeurs pour 𝜎 dans laquelle l'ampli op ne sature pas.
  2. Trouvez io (en microampères) lorsque 𝜎 = 0,272.

Exercice 07



  1. L'ampli op dans le circuit est idéal. La résistance réglable  RΔ a une valeur maximale de 100 kΩ et α est limitée à la plage de 0,2 ≤ a ≥1. Calculez la plage de vo si vg=40mA
  2. Si α n'est pas limité, à quelle valeur d'un testament ampli op saturé?

Exercice 08





  1. quelle configuration de circuit est représentée sur cette figure?
  2. Trouvez vo si va = 1V, vb = 1.5V, et vc = -4V
  3. Les tensions va et vc restent respectivement à 1 V et - 4 V. Quelles sont les limites de vb si l'ampli op fonctionne dans sa région linéaire?

Exercice 09

  1. L'ampli op est idéal. Trouvez vo si va = 4 V, vb = 9 V, vc = 13 V et vd = 8 V
  2. Supposons que va vc et vd conservent leurs valeurs comme indiqué dans (1). Spécifiez la plage de va de sorte que l'ampli op fonctionne dans sa région linéaire
  3. La résistance de rétroaction de 220 kΩ dans le circuit est remplacée par une résistance variable Rf. Les tensions varient ont les mêmes valeurs que celles données à la question (1).
    1. Quelle valeur de Rf provoquera la saturation de l'ampli opérationnel? Notez que 0 ≤ R≤ ∞
    2. Lorsque Rf a la valeur trouvée en (a), quel est le courant (en microampères) dans la borne de sortie de l'ampli opérationnel?

Exercice 10


  1. De quelle configuration de circuit d'ampli opérationnel s'agit-il?
  2. Trouvez va en termes de vs.
  3. Trouvez la plage de valeurs de vs telle que vo ne sature pas et que l'ampli opérationnel reste dans sa zone de fonctionnement linéaire.

Post a Comment

Plus récente Plus ancienne