ads hdr

 La diode clamp protège les circuits fragiles, le circuit de régénération DC (clamper) ajoute une tension DC au signal.

 Le circuit de régénération de tension positive

La figure  illustre le principe d'un circuit de régénération de tension positive. À la sinusoïde d'entrée, il ajoute une tension positive. Vu sous un autre angle, il décale le niveau continu (normalement zéro) du signal d'entrée d'une valeur positive. Le résultat est une tension AC centrée sur un niveau DC; tous les points de la sinusoïde sont décalés vers le haut, comme on le constate sur le signal de sortie.


La figure  représente une autre façon de visualiser l'effet du régénérateur de niveau : une source AC en série avec une pile. La tension de Thévenin est la superposition de la source AC de tension crête l', avec la source DC de valeur l'p. Par conséquent, la totalité de la sinusoïde est décalée; sa tension crête positive devient 21, et la négative devient 0.

Figure (a). Régénérateur positif idéal

La figure 4.31a détaille la composition de ce circuit. Voici comment il fonctionne. Le condensateur est non chargé au départ; pendant la première alternance négative, la diode conduit (figure b). 

Figure (b): à la crête positive

Quand le maximum est atteint, le condensateur est complètement chargé et la tension à ses bornes est représentée sur la figure.

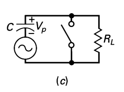
Légèrement au-delà de ce pic, la diode se bloque (figure c). La constante de temps RLC est choisie beaucoup plus grande que la période du signal, au moins 100 fois plus grande.



Figure (c): au-delà de la crête positive

Par conséquent, le condensateur reste presque complètement chargé lorsque la diode est bloquée; il se comporte comme une source de tension Vp. Le signal de sortie se trouve translaté de +Vp, et le circuit est un régénérateur de niveau positif constant si la relation (RLC > 100T ) est vérifiée.

Le principe est le même que celui du redresseur simple alternance avec un condensateur de filtrage. La première demi-alternance charge le condensateur complètement et celui-ci garde la charge pendant les autres cycles. La petite partie perdue est remplacée lors de la conduction de la diode.

D'après la figure c, le condensateur chargé est équivalent à une source de tension Vp, c'est la tension ajoutée au signal. Après un quart de période, la tension de sortie est une sinusoïde de niveau de base 0.

Figure (d): régénérateur positif imparfait

La figure d donne la représentation classique du circuit. Puisque la diode a une chute de 0,7 V, la tension sur le condensateur n'atteint pas exactement Vp ; la régénération de niveau positif n'est pas parfaite, la crête négative se trouve à -0,7 V.

 Le circuit de régénération de tension négative

Que se passe-t-il si la diode de la figure(d) est retournée ? On obtient le circuit régénérateur de niveau négatif de la figure 2. La tension sur le condensateur est inversée, et le circuit est loin d'être parfait car la crête positive est de 0,7 V au lieu de 0.

Figure 2: circuit de régénération négatif


Pour aider à retenir le sens du circuit, la diode pointe dans la même direction que le décalage de la sinusoïde. Sur la figure (2), la diode pointe vers le bas ; c'est un circuit régénérateur de niveau négatif. Sur la figure (a), la diode pointe vers le haut; la sinusoïde est translatée vers le haut, c'est un circuit régénérateur de niveau positif.

Ces deux types de circuits sont largement utilisés. Par exemple, les récepteurs de télévision en possèdent pour changer la référence des signaux vidéo. On les trouve aussi dans les radars et les circuits de télécommunications.

Pour terminer, la limitation et la régénération de niveaux parfaits ne sont plus des problèmes. Après avoir étudié les amplis op, nous retrouverons les limiteurs et les régénérateurs de niveau, et nous verrons comme il est facile d'éliminer les problèmes de tension de seuil. Nous aurons des circuits presque parfaits.

Le détecteur crête à crête


Un redresseur simple alternance avec un condensateur de filtrage donne une tension continue approximativement égale à la tension crête du signal d'entrée. Le même circuit avec une diode petit signal est un détecteur de crête. Il fonctionne à des fréquences bien supérieures à 60 Hz. Le signal de sortie d'un détecteur de crête est très utile en mesure, en traitement du signal et en télécommunications.

Figure 3: détecteur crête à crête

La mise en cascade d'un régénérateur de niveau et d'un détecteur de crête donne un détecteur crête à crête (figure 3). Le signal de sortie du régénérateur sert de signal d'entrée au détecteur de crête. Comme la sinusoïde est décalée positivement, la tension crête du signal d'entrée du détecteur vaut 2Vp, c'est la valeur de la tension continue fournie par le détecteur.

Comme d'habitude, la constante de temps RC doit être beaucoup plus grande que la période du signal. Pour satisfaire cette condition, le régénérateur de niveau et le détecteur de crête doivent être de bonne qualité, et en plus, l'ondulation résiduelle doit être très petite.

Une application peut être la mesure des signaux non sinusoïdaux. Un voltmètre alternatif ordinaire est gradué pour donner les valeurs efficaces. Pour des signaux non sinusoïdaux, il donne des valeurs incorrectes. Si on applique la sortie d'un détecteur crête à crête à un voltmètre continu, il donne l'amplitude crête à crête. Si le signal non sinusoïdal varie entre -20 V et + 50 V, la mesure est 70 V.



Post a Comment

Plus récente Plus ancienne